by Emilie Lambert, TRC collection manager, 23 January 2026
Fig. 1. Egyptian woven fragment from the 1st millennium AD, with stylised figures and waves, all in dark purple on an unbleached linen ground (TRC 2023.0073).One of the most common phrases heard at the TRC is that the collection holds textile items from prehistory to today. To visitors, this point emphasises our understanding of the value of historical textiles as well as the cultural relevance of a modern fast-fashion collection.
Due to preservation and availability, most of the TRC collection postdates the 17th century. There is, however, a considerable medieval collection and a significant collection of Coptic textile fragments from the first millennium AD (Fig. 1). But there are textiles even older than that! The oldest textile at the TRC, and indeed one of the oldest preserved textiles in the world comes from Çatalhöyük (Fig. 2).
The site can be found under many spellings, Catal Hoyuk, Catalhoyuk, and more recently Çatalhöyük. As an archaeology student it was impossible not to hear about this site regularly.
In short, it is a relatively large settlement in southern Anatolia. It was inhabited from approximately 7500 BC to around 5600 BC, spanning the Neolithic and Chalcolithic periods. As one of the best preserved, largest and most long-lived archaeological settlements, the site offers an enormous amount of information when it comes to studying Neolithic Anatolia. The site helped archaeologists understand the Neolithisation process – largely involving the domestication of crops and animals and becoming sedentary as opposed to nomadic. This lifestyle would travel into Europe over the following millennia through both migration and cultural exchange.
Fig. 2. Covered excavations of part of the tell of Çatalhöyük. [By Murat Özsoy 1958 - Own work, CC BY-SA 4.0, https://commons.wikimedia.org/w/index.php?curid=91011948]
A unique feature of this settlement is the lack of roads between the buildings. The buildings are all clustered together and people travel over the roofs, accessing the residential buildings by ladders or stairs. Over the course of two millennia, around 18 levels of settlement were built on top of each other, forming the tell as renovations are built over the rubble of a previous structure.
Another intriguing fact is that the local people buried their dead under the floorboards. Either the skeleton or body of the deceased would be balled up and wrapped in reed mats and buried underneath the hearth or sleeping areas of the house. Neolithic so-called ‘skull cult’ practices are also found, in which the skull is later retrieved, plastered and painted to re-construct a face.
Fig. 3. Close up of the Çatalhöyük fragments (TRC 2000.0018).
But enough about the site! What about the textiles? The TRC is incredibly lucky to say it is in possession of woven fragments of a piece of textile from the Middle Settlement Period – around 6.700-6.500 BC (Fig. 3; TRC 2000.0018). These fragments survived by being indirectly carbonised, probably during a fire of some kind, explaining the very dark colour. The pieces were excavated in 1963, the earliest excavation period of the site.
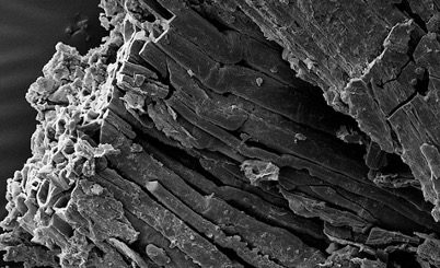
Fig. 4. SEM of the Çatalhöyük sample from the TRC in Rast-Eicher, Karg & Bender Jørgensen (2021) ‘The use of local fibres for textiles at Neolithic Çatalhöyük’.The cloth is a tabby, in other words a plain weave and typically classified as linen. A fairly new study, however, uses scanning electron microscope analysis to reveal these fibres to be made from locally sourced oak bast (Rast-Eicher et al., 2021). The fragments at the TRC were in fact used in this study.
While other samples were clearly identifiable as oak bast, the ‘Leiden sample’ was the only inconclusive result – the lumen appeared smaller than oak bast but larger than flax. (Fig. 4). The charring has affected the fibres too much to discern more information.
As said before, these are some of the earliest preserved textiles in the world! Being able to see these eight-thousand-year-old textiles is truly impressive to anyone archaeologically minded and is literally impossible to beat!
Read more on Çatalhöyük:
- https://www.catalhoyuk.com/
- https://curiouscaseofcatalhoyuk.ku.edu.tr/#intro (online exhibition 2017, recommended)
- https://whc.unesco.org/en/list/1405
- https://www.worldhistory.org/Catalhoyuk/
- See also: Rast-Eicher A, Karg S, Bender Jørgensen L. 'The use of local fibres for textiles at Neolithic Çatalhöyük.' Antiquity 2021, Vol. 95, pp. 1129-1144.







